工作时间 周一至周六 8:00-17:00
ZJC-3静态冲击继电器在输配电线路中应用于直流操作的保护与控制中作为集中信号装置的主要元件,也可以用于特殊信号设备中。
ZJC-3静态冲击继电器概述
ZJC-3静态冲击继电器在输配电线路中应用于直流操作的保护与控制中作为集中信号装置的主要元件,也可以用于特殊信号设备中。
ZJC-3静态冲击继电器型号命名及含义

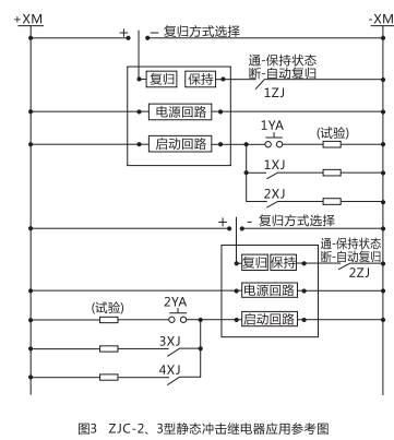
1、工作原理
继电器由变流取样、执行、保持或延时自动复归等部分组成(见图1) ,装有二只发光二极管,监视电源和执行状况。当加入电源或复归后需经1~2s时间充电,准备好下一次工作, 一旦启动回路中有信号输入,电流脉冲信号经变流取样后,使执行部分工作并输出信号,经保持或延时复归部分延时后可实现保持或延时自动复归、手动复归等功能。

2、设计特点
本继电器采用进口集成电路等电子元器件.灵敏度高、功耗小、性能稳定.既可启动普通白织灯,也可启动LED型节能信号灯,可自动复归,也可手动复归,可正电源复归,也可负电源复归,可通电复归,也可断电复归,外部接线与老型号产品基本相同,減少了现场安装工作量,是目前电力系统中理想的更新换代产品 。
ZJC-3静态冲击继电器技术指标及注意事项
1、最小冲击动作直流电流: 0.015A;施加90%额定的最小冲击动作电流,装置应能可靠动作在-10°C~+50°C温度下,冲击动作电流不大于0.015A。
2、最大冲击稳定直流电流: 3.20A。
3、功率消耗:
a、工作回路功率消耗: DC48V时≤1.5W; DC110V时≤3W; DC220V时≤5.5W。
b、启动回路功率消耗:冲击直流电流为3.2A≤1.5W时。
4、在一般情况下,继电器处于自动复归状态,继电器动作后保持5~10s自动复归;需要保持时,将保持端与电源负端连接,手动复归时,将复归端与电源正端或负端接通一下,勿闭锁。
注意: ZJC-3型功能和外部接线同ZC-23/A型,有断电复J三1功能,但无自动复归功能.若需此功能,订货时需注明;另如对最小冲击电流、自动复归时间等有特殊要求也需注明。
ZJC-3静态冲击继电器内部接线及外引接线图(正视图)


ZJC-3静态冲击继电器外形及开孔尺寸



矿山冶金
化工、化肥、水泥、纺织
能源、环保
机械电子
火电、水电
造纸、制糖、制药
市政基础建设
原料、钢铁
上一篇:ZC-3A冲击继电器
下一篇:JT-1静态同步检查继电器

